大収納を設ける家は、通常より背の高い2階建になるため、敷地条件に対応しにくくなります。 一方、右断面の「蔵のある家」は、1階 15階 2階 ロフトと05階ずつ上がるスキップフロアデザインにより、「蔵」やロフト収納を設けても通常の2階建の高さ勾配天井と組み合わせたロフトや、小屋裏収納など、高さ制限のある都市においてもスペースを最大化。 変化に富んだ、豊かな多層空間を生み出します。 2階建て4層プラン クロスフロア+ダウンフロア 2階建て5層プラン クロスフロア+ダウンフロア1階の床から2階の床までの高さです。 1階の横架材間の垂直距離+桁です。 1階の床合板の厚さ+フローリングの厚さが2階と同じであれば差し引き0ですが、異なるようであれば若干+-がでます。 根太使用の場合も若干異なります。
お家の高さのルールについて 新潟のローコスト新築なら安心安全のニコニコ住宅
2階建ての家 高さ
2階建ての家 高さ-グレード感と遊び心を併せ持つこだわりの邸宅|2階建て|建築事例|注文住宅|ダイワハウス ダイワハウスで二度目の住まいづくりをされたTさま。 広大な敷地に映える邸宅は、『xevoΣ』の大開口を生かして車2台収容のビルトインガレージを実現。 その段差地に家を建てる際に工夫している点 「道路寺の家」は、敷地の高低差を活かして家を建築するように様々な工夫をしています。 2階部分は、東西対照的に跳ね出すように設計し、構造体のバランスを保つようにしました。 外観の素材や色は1階と2階で



後悔しないために 2階建てと3階建ての違い について解説します
1小屋裏収納は2階の天井裏ではなく、2階と同じ高さで作る。 1階の屋根裏天井ということになるのでしょうか。 これはすごく大事かなと思います。 ハシゴ等で天井裏に収納するより、2階から水平に収納できる方がはるかに便利だからです。Q 鉄骨2階建ての庭の地面から屋根までの高さは一般的に何メートルくらいでしょうか? 平成3年のセキスイの家です。 今回、屋根に登ろうと、2連はしごを買おうと思うのですが、全長がどれくらいのものを買えばよいのかわかりません。家 高さ 2階建て Indeed lately has been hunted by consumers around us, maybe one of you personally Individuals are now accustomed to using the net in gadgets to view video and image data for inspiration, and according to the title of the post I will talk about about 家 高さ 2階建て
スキップフロア 大収納のある家(25階建) 名古屋市 高気密・高断熱の耐震住宅 大収納のある1,000万円台の家(30坪) スキップフロア 大収納のある家(25階建) 津島市完全分離二世帯住宅、2階建て、3階建て、平屋などもお任せください。家 づくりの専門家である一級建築士が、間取り計画はもちろん収納計画まで考えた 価値ある注文住宅を建築いたします。千葉県市川市・松戸市・船橋市近郊にて、 地域密着で自然素材の無垢材や漆喰を使い、高耐震・高 平屋と二階建て、どちらの住宅が良いのでしょう。 どちらが自分たちに向いているか判断するには、まずそれぞれのメリットとデメリットを知ることが大切です! 平屋のメリットとデメリット 平屋とは、階段と二階の部屋がない一階建ての家のこと。
デザインと機能が美しく融合した平屋の家|2階建て|建築事例|注文住宅|ダイワハウス ご実家の隣に片流れの屋根が映える 平屋のお住まい を建てられたOさま。 白格子の天井から光が木漏れ日のように差し込む玄関ホール、和室を介して玄関からLDK2階建以上の建物の床の厚さはどれくらいですか? 法律上何か規制はありますか? コンクリートの建築物で用途が住宅等の場合のコンクリートのみ (スラブ)の厚さは15cmが標準です。 これに仕上げや防音断熱材を含めて、下階の天井から上階の床までの高 階段の段数は、 ・1階の床から2階の床までの高さ÷蹴上 この計算で求める事ができます。 大体、一般的な一戸建て住宅のお家では1階の床から2階の床の高さまで(階高)は26m~3mくらいになる事が多いです。 一度、設計士さんに階高が何メートルになる



道路斜線制限とは ミヤウチさん家



間違えれば3階建てに 注文住宅でロフトを作る基本的ルール 奈良 京都の注文住宅 ハウ ツウ ライブ
また、2階建扱いでも3階建のように使い、また吹き抜けと屋上テラスなどから採光と通風を確保した事例もあります。屋上の計画はアイデア次第でしょう。 参考にされてください。 1年1月14日 株式会社田辺計画工房 1級建築士事務所 代表建築家 田邉恵一家を建てる 時に必要な 2階の窓高 、特殊な用途や3階建て以上の建築物等に限定して適用されるものであり、一般的な木造2階建ての住宅には適用されません。(行政側が指導する場合もあります)



勾配天井の高さを活かし 隣家が迫る土地でも明るく 実例紹介 木造注文住宅 戸建住宅 ハウスメーカー 住友林業



Http Kenmane Kensetsu Plaza Com Bookpdf 154 Ai 03 Pdf



アーキハウス一級建築士事務所さんはinstagramを利用しています 平屋のような2階建ての家 木格子を贅沢に取り入れた クールな外観のこのお家 平屋の暮らしを実現させつつ 高さを活かした 広がりのある空間をつくっています 室内は造作



ホームズ 改めて知りたい データから見る2階建て住宅の実状とメリット デメリット 住まいのお役立ち情報



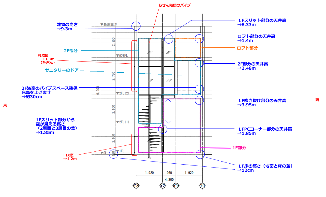
1



限りある2階建て4層 5層空間 ヘーベルハウス 注文住宅の実例 くらし方 商品



新築 2 5階 中二階 の家 構造 ヒーロートレーディング 有



ゆとりの2階リビング 都市型3階建ての家 施工事例 注文住宅 小田急ハウジング



Case 2 高さ制限に阻まれた 険しい傾斜地に 3階建てを建てろ 地上2階 地下1階 2層構造の邸 プロたちの実現 Casaの流儀



高さのチェックを行うのは何故か さて 間取り図を作成する を読んで頂いて大体の間取り図が出来ましたでしょうか 一つ思い出して欲しいのですが 様々な制約 の項目で 道路斜線 と 北側斜線 というものがある事をお話ししました この



平屋と二階建てのいいとこ取りの家 施工事例 カイテキホーム



2 日射しの科学



愛知県名古屋市中川区 木造在来工法 2階にリビングを取り入れた30代の家 ブログ 愛知 三重県で木造注文住宅なら工房 道



斜線制限 を正しく理解してる 3階建てが建てられないケースも Sumai 日刊住まい



うんちく エサキホームブログ ページ 4



家 高さ Amrowebdesigners Com



2階建てモデル 木のいえづくりセミナーweb版



佐世保市景観計画の区域に江迎 鹿町地区を追加しました 佐世保市役所



3



3階建ての 高さ について解説 開放的な家にするための3つの工夫



建物 1階の高さ Ourwindowsnetwork Com



階数を増やす 廊下を減らす 建築家紹介センター



荒川区ハセベ 木造耐火 耐震3階建住宅プラスワン 家づくり 狭小地の家づくり



3階建て住宅の建築費はどのくらいかかる 注意する点は 新着情報 公式 株式会社カーサ総研 横浜 湘南エリアの注文住宅



Case 2 高さ制限に阻まれた 険しい傾斜地に 3階建てを建てろ 地上2階 地下1階 2層構造の邸 プロたちの実現 Casaの流儀



家 高さ 2階建て Khabarplanet Com



平屋住宅の施工例まとめ 札幌ほか北海道内 いえズーム Iezoom



Http Www Fukuicompu Co Jp Mnl Zero 15 Guide Manual 41 Seinohyoji Pdf



2階建の坪単価で3階建が実現 3階建木造戸建住宅商品 Xevo sora ジーヴォソラ 発売 大和ハウス工業株式会社のプレスリリース



3階建ての 高さ について解説 開放的な家にするための3つの工夫



Amenity 空間設計力 テクノロジー 木質系住宅 ミサワホーム



3階建ての間取りや高さ制限とは 3階建てを建てる際に注意するポイント 住まいのお役立ち記事



天上の高い家を建てる時 知っておきたい5つの方法 二階の天井高 家づくり教室



3階建てのメリット デメリット セキスイハイムの3階建て Desio デシオ



08 号 軒桁上収納庫付き建物 Astamuse



2階建てだが3階建てに匹敵する高さで 2階の居室は勾配天井になっている 塀の黒いボーダーラインは天然石 イエタテ



一戸建ての坪数の目安は 平均坪数や人数別の広さの目安も解説 土地のこと 家を建てる ナチュリエいえばなし ナチュリエ



セジュールオッツ 商品情報 3階建て 商品紹介 賃貸住宅経営 土地活用 大和ハウス工業



ノッポな2階建て 空のみえる家



秩父市近戸町 H様邸 二階建て5層のスキップフロアの家 全国デザインコンテスト受賞 埼玉 新築 注文住宅 Wonder Haus



高さ方向にもスペースを有効利用した 4層2階建ての家 3ldk ロフト スキップフロア 岡山市南区 株式会社ミツル建築工房



三階建ての家を建てるなら間取りにこだわろう



株式会社 コスモ 新築施工例のご紹介 ぬくもりと暮らそう クラソ



敷地40坪の間取り5ldk以上の2階建て 東京都内の間取り検索 注文住宅を建てる人必見 間取り 40坪 間取り 建築計画



Casa Skip コンセプト 公式 Casa Skip スキップフロアの家づくり 完成形



3階建てのように見える2階建ての家



2 5階建の住まい 大収納のある家 狭小住宅三階建て 二世帯住宅の間取りならさつま建設 大田区 品川区



二階建て 家 高さ Amrowebdesigners Com



中二階がある家 カザデザイン



栗本建築設計事務所 和歌山県建築士事務所協会



高さが魅力な3階建て 建設にむけて知っておきたいポイント ナカジツの 住まいのお役立ち情報



2階建てモデル 木のいえづくりセミナーweb版



土地選びの前に 知っておきたい法規があります 野村マガジン 株式会社 野村工務店



庭にあり高さが2階建ての家以上あります 落葉樹です 手入れ 園芸相談q A みんなの趣味の園芸



1



家の 高さ にも制限がある 土地の 斜線規制 をチェック クレバinfo くらし楽しく快適に賢い住まいのヒント



高さのチェックを行うのは何故か さて 間取り図を作成する を読んで頂いて大体の間取り図が出来ましたでしょうか 一つ思い出して欲しいのですが 様々な制約 の項目で 道路斜線 と 北側斜線 というものがある事をお話ししました この



家 高さ 2階建て Amrowebdesigners Com



広大な収納と2階の日当たりにこだわった オーディオルームのある家 埼玉県さいたま市南区の住宅建築の実例 アイフルホーム浦和店 アイフルホーム ナビ



総2階建てムダをなくした実用重視の家 栃木県大田原市の住宅建築の実例 アイフルホーム那須塩原店 アイフルホーム ナビ



3階建てだから出来た注文住宅の間取り設計図のデザイン 建築家31会



高さ方向にもスペースを有効利用した 4層2階建ての家 3ldk ロフト スキップフロア 岡山市南区 株式会社ミツル建築工房



城の下通建売住宅 誠和建築設計 こだわりの住宅 インテリアデザインとリフォームを提案



3階建ての外壁塗装は高いのか 不安を解消するために知るべき6つの真実 東京の外壁塗装 屋根塗装 塗り替えは街の外壁塗装やさん東東京店へ



狭小住宅 間取り プラン 18坪 角地に建つキュービックな木造3階建て住宅 東京の狭小住宅の間取り 3階建て T W



3階建て住宅プラン 8 9坪 木造在来軸組工法 3階建て住宅 狭小住宅 間取り 価格のティーアンドダブリュー T W 東京 埼玉 千葉 神奈川



お家の高さのルールについて 新潟のローコスト新築なら安心安全のニコニコ住宅



2階建て住宅 フェニーチェほっとリビング株式会社 注文住宅 土地 戸建 住宅メーカー ハウスメーカー



住人だから分かる3階建て住宅のメリットとデメリット 3階建ての家に暮らす



1階に必要な強さは 2階の広さに左右される



建物は2階建ての高さでもスキップフロアで3層構造のような内部 Fevecasa フェブカーサ



家の2階部分を低くする 教えて 住まいの先生 Yahoo 不動産



30坪の土地に駐車場付きで建てた2階リビングの住宅 建築実例 アドヴァンスアーキテクツ



家づくりnet 平家風2階建ての高さを生かした空間設計とセンスが相まって アトリエのような心地よさ漂う住まい ふくおかナビ



注文住宅事例 愛称 ペッタンコハウス こう見えて 実は2階建てです Sumai 日刊住まい



坂道の勾配に沿った大屋根が 地域に溶け込む2階建て 檜建設 エニーホームの新築施工例 イエタテ



2階床が高い家 その他に関する家づくり相談 Sumika 建築家 工務店との家づくりを無料でサポート



2階の天井高さについて 建築 不動産 いざなみ宅建 札幌市北区



十日町市の2階建て住宅 協和建設



17 号 住宅 Astamuse



木の家は 3階建ても魅力的です Wooddesign Staff Blog



3階建ての間取りや高さ制限とは 3階建てを建てる際に注意するポイント 住まいのお役立ち記事



3階建て住宅 三菱地所ホーム



家 高さ 2階建て Aickmandata Com



Optimum Layering Frex Monado 3階建て住宅 ヘーベルハウス ハウスメーカー 住宅メーカー 注文住宅



Q1 0デザイン論 中2階のある平屋と伝統的町家 編集長ブログ 性能とデザイン いい家大研究 住宅雑誌replan



43坪 5 5間 東入 2階建て 吹抜 大黒柱 コラム 専門家プロファイル



間口 まぐち って何 間口によって建てる家は変わってきます 建築士が教える 新築の家を建てる人のための家づくりブログ



13 号 小屋裏利用の三階建て木造建物 Astamuse



三階建て 高さ 家 Homu Interia



十日町市の2階建て住宅 協和建設



1



目黒区 敷地面積約坪 高さ制限をデザインに活かしたシャープな事務所併用3階建てロフト付き住宅 東京で15坪 坪の間取りで狭小住宅 3階建てを 建てるなら渡辺ハウジング



外壁改修等工事の佐世保市景観条例による届出について 佐世保市役所



高さ4mの擁壁を造った敷地に建つ木造2階建ての家 静岡市清水区 池田建設 カメさん日記



背の低い3階建て Top 低層住居地域 第一種高度地区 不燃化特区内建替えに適した 立体狭小3階建て住宅 テーブル ワン スタジオ



146 静岡市駿河区大谷2 4 2階建て屋根裏 株式会社建築システム



後悔しないために 2階建てと3階建ての違い について解説します



暮らしやすさをデザインした 駅チカ角地の2階建て オープンハウスの家 お役立ちマガジン オープンハウス



天井高で実現するゆとりある空間 間取りと暮らし方 注文住宅 ダイワハウス



高床式ハイブリッド防災住宅 Takayuka すのままハウス 東京都足立区のオバタ建設



2階床が高い家 その他に関する家づくり相談 Sumika 建築家 工務店との家づくりを無料でサポート


0 件のコメント:
コメントを投稿